节距 P : 20 mm
内高 Hi : 10 mm
内宽 Bi : 10-50 mm
弯曲半径 R : 018-038 mm
| 拖链代码 | Bi[mm] | Ba[mm] | R[mm] | 重量[kg/m] |
| E10C.10.R* | 10 | 18 | 018|028|038 | ≈0.16 |
| E10C.16.R* | 16 | 24 | 018|028|038 | ≈0.18 |
| E10C.20.R | 20 | 28 | 018|028|038 | ≈0.19 |
| E10C.30.R* | 30 | 38 | 018|028|038 | ≈0.21 |
| E10C.40.R* | 40 | 48 | 018|028|038 | ≈0.24 |
| E10C.50.R* | 50 | 58 | 018|028|038 | ≈0.26 |

锁紧式/旋转式
| Bi
[mm] |
ZB接头代码|锁紧式 | ZB接头代码|旋转式 | A
[mm] |
齿数nz | ||
| 带扎线板 | 不带扎线板 | 带扎线板 | 不带扎线板 | |||
| 10 | E100.10.12.Z | E100.10.12 | E100.10.34.Z | E100.10.34 | – | 1 |
| 16 | E100.16.12.Z | E100.16.12 | E100.16.34.Z | E100.16.34 | – | 2 |
| 20 | E100.20.12.Z | E100.20.12 | E100.20.34.Z | E100.20.34 | – | 2 |
| 30 | E100.30.12.Z* | E100.30.12* | E100.30.34.Z* | E100.30.34* | 22 | 3 |
| 40 | E100.40.12.Z* | E100.40.12* | E100.40.34.Z* | E100.40.34* | 32 | 4 |
| 50 | E100.50.12.Z* | E100.50.12* | E100.50.34.Z* | E100.50.34* | 42 | 5 |

a. ZB锁紧式接头:推荐用于架空,竖直悬挂和站立应用
b. ZB旋转式接头:推荐用于滑行应用
c. 可从底部固定
d. 可选配扎线板用来固定线缆
请在接头代码尾部添加安装形式A1–A4 来完成整个接头代码:
默认安装形式:A1


标准配置:每2节拖链装一组隔片
竖隔片与侧板内侧无需间隙
活动竖隔片:ST10.1
■ 适用于几乎所有应用
■ 易于装配和拆卸
■ 可灵活调节位置
■ 窄基角,高效利用空间
■ 带凸起结构,避免横隔片的横向移动

锁紧竖隔片:ST10.2
■ 用于侧向安装或极高负载
■ 安装后不能移动
■ 每隔2.5 mm可调节位置
■ 宽基角,可靠地安装在横杆上
■ 带凸起结构,避免横隔片的横向移动

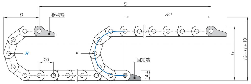
拖链长度 Lk = S/2+K
| R [mm] | H [mm] | Hz [mm] | D [mm] | K[mm] |
| 018 | 51 | 61 | 56 | 100 |
| 028 | 71 | 81 | 66 | 130 |
| 038 | 91 | 101 | 76 | 160 |

拖链长度 Lk = S/2+K1
| R[mm] | H1[mm] | D1[mm] | K1[mm] | △C [mm] | 齿数nR |
| 018 | 36 | 56 | 100 | – | – |
| 028 | 45 | 110 | 160 | 50 | 2 |
| 038 | 45 | 145 | 220 | 75 | 2 |

| 架空长度 | ≤ 0.75 m |
| 滑行距离 | ≤ 30 m |
| 垂直悬挂 | ≤ 20 m |
| 垂直站立 | ≤ 1.5 m |
| 侧向架空 | ≤ 0.6 m |
| 速度/加速度 FLG | ≤ 10 [m/s] / 50 [m/s² ] |
| 速度/加速度 FLB | ≤ 2 [m/s] / 4 [m/s² ] |
| 滑行速度/加速度 | ≤ 4 [m/s] / 20 [m/s² ] |